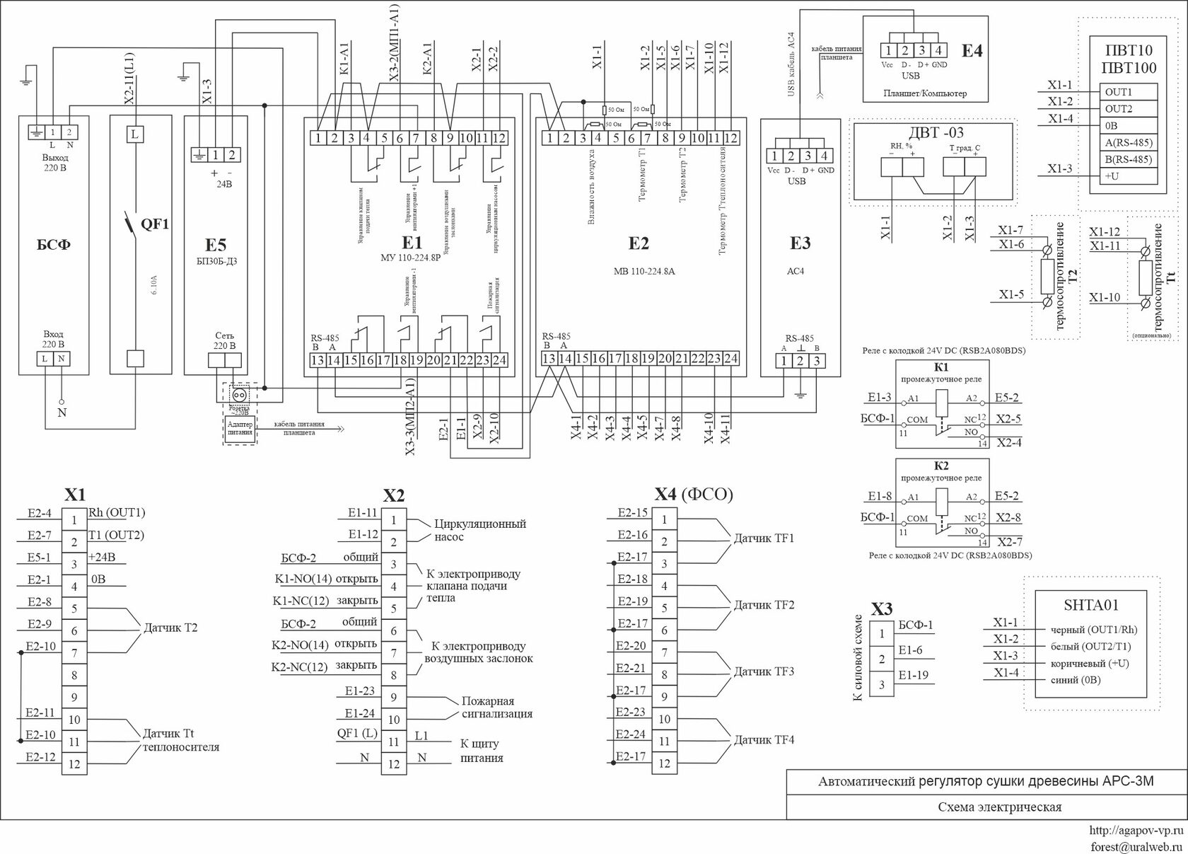
Описание электрической схемы автоматики для сушки древесины АРС-3М

Автоматика представляет из себя аналогоцифровой преобразователь (Е2, МВ110-224.8А) для получения данных с датчиков и цифроаналоговый преобразователь (Е1, МУ110-224.8Р) для управления исполнительными механизмами. Всеми процессами управляет специализированная программа на компьютере.
Для питания электронных модулей и основного датчика используется блок питания (Е5) на 24В.

Обмен информацией между компьютером и электронными модулями осуществляется по двухпроводному интерфейсу RS-485. Для этого к компьютеру подключен специализированный преобразователь интерфейса USB<--->RS-485 (Е3, АС4-М).

Для защиты от короткого замыкания на входе питания 220В установлен автоматический выключатель на 2А или 6А или 10А.

Для сглаживания высокочастотных помех сети и от перегрузок после автоматического выключателя установлен блок сетевой фильтрации (БСФ-Д3-1.2 или БСФ-Д2-0.6).

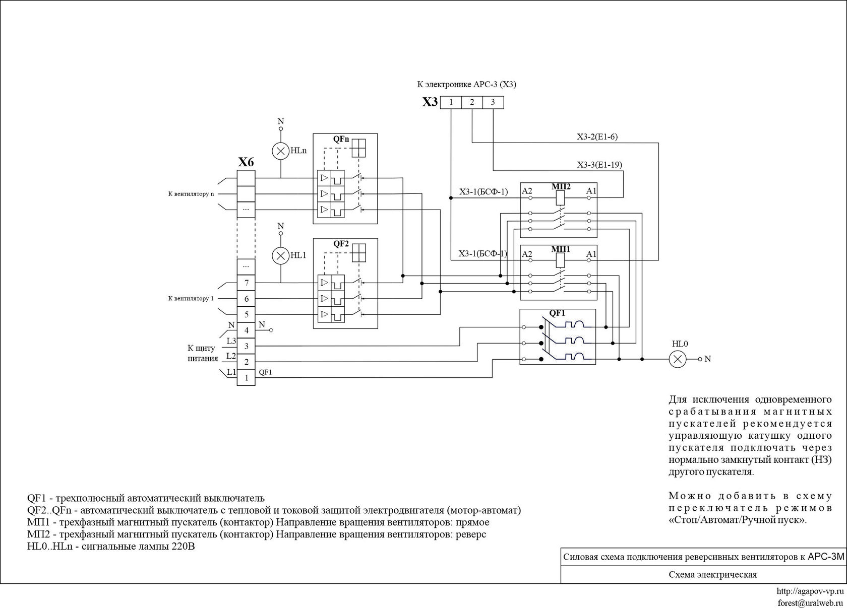
Управление силовой схемой включения вентиляторов осуществляется подачей 220В на одну из управляющих катушек магнитных пускателей МП1 или МП2. Первый пускатель МП1 включает вентиляторы в прямом направлении, второй пускатель МП2 включает вентиляторы в реверсе. Для исключения одновременного срабатывания магнитных пускателей рекомендуется управляющую катушку одного пускателя подключать через нормально замкнутый контакт (НЗ) другого пускателя.

Электродвигатель каждого вентилятора подключается через мотор-автомат (QF2-QFn) для защиты от перегрузок, коротких замыканий, проблем с фазами и т.п.